INNOVATIVE MINDS. EXCEPTIONAL QUALITY.
Customer Login
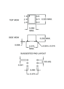
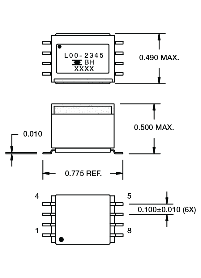
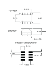
BH001
BH002
BH003
BH004
BH005
BH006
BH007
BH008
BH009
BH010
BH011