
- Designed for use in line matching and isolation circuits
- Ideal for use as baluns or as isolation transformers
- Use in popular networks such as Ethernet or 10 Base T and 100 Base T
- Use in proprietary networks based on RS232, RS422 or RS485
- Products are available to support data rates from 9.6Kb/sec. to 250Mb/sec.
ELECTRICAL CHARACTERISTICS @ 25˚C
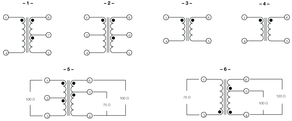
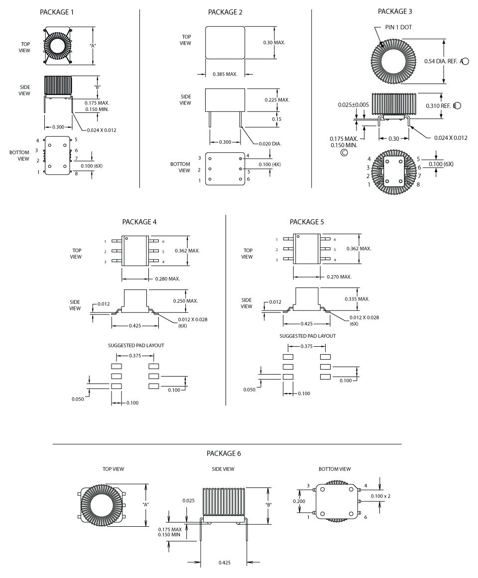
| BH PART NUMBER | ET CONSTANT (V uSEC. MIN.) | TURNS RATIO | PRIMARY INDUCTANCE | ISOLATION VOLTAGE | SCHEMATIC | PACKAGE STYLE | DIM. “A” MAX. | DIM. “B” MAX. |
|---|---|---|---|---|---|---|---|---|
| 500-1430 | 40 | 1:1:27 | 2.8mH | 500 VDC | 6 | 6 | 0.37 | 0.32 |
| L00-1455 | 100 | 1:1 | 21mH | 1500 VRMS | 3 | 1 | 0.4 | 0.35 |
| 500-1461 | 1200 | 1:1 | 800mH | 2200 VRMS | 4 | 1 | 0.57 | 0.4 |
| 500-1463 | 0 | 1:1 | 140uH | 1200 VAC | 4 | 3 | 0.54 | 0.31 |
| 500-1465 | 380 | 1CT: 1CT | 193mH | 1500 VRMS | 2 | 2 | 0.45 | 0.43 |
| 500-1438 | 3 | 1CT: 1CT | 150 H | 500 VDC | 5 | 2 | N/A | N/A |
| 500-1542 | 900 | 1CT: 1CT | 430MH | 2900VDC | 2 | 1 | 0.56 | 0.39 |
| 500-1544 | 90 | 1: 1CT | 2.2mH | 1000 VRMS | 1 | 1 | 0.6 | 0.35 |
| 500-2279 | 1.5 | 1:1 TAPPED | 100uH | 2500 VAC | 5 | 4 | N/A | N/A |
| 500-2387 | 14 | 1:1.22 TAPPED | 1.0mH | 1500 VAC | 6 | 5 | N/A | N/A |
| 500-3177 | NA | NA | 205uH | 500 VAC | See pdf | See pdf | See pdf | See pdf |
| 500-3187 | 2.1 | 1:1 | 100uH | 500 VRMS | 200°C | See pdf | See pdf | |
| L00-1488 | 25 | 1: 1CT | 2.2mH | 1000 VRMS | 1 | 1 | See pdf | See pdf |
| L00-3360 | 45 | 1:1:1 | 3.3mH | See pdf | See pdf | See pdf | See pdf | See pdf |
Note: Part numbers beginning with “L” are RoHS compliant.

